775-10-008

775-10-008
775-10-008

Clutch, SAC5CW12DC.50B1ST, 扭簧, Solenoid Actuated Clutch, 螺線管驅動,扭簧離合器-5, CW Rotation, 輪轂輸入, 0.5005 / 0.5025 英寸 Bore, 1 Stop, 12 Vdc, 250 in-lbs 靜態力矩


  • SAC系列有4個預裝配、電磁驅動、扭簧離合器套裝,可在單相交流或直流脈沖下精確地開始負載運行,轉速最高可達1800 RPM(取決于尺寸)。可調節停止控制止動環提供簡單和精確的輸出停止位置設定。典型的SAC系列離合器可在3毫秒內完成負載加速。它們與PC以及工業控制系統的連接也非常簡單。SAC系列離合器是準確、可重復、反應快速、簡單且無需維護的低成本產品。
  • 電磁驅動,扭簧離合器套件
  • RoHS認證

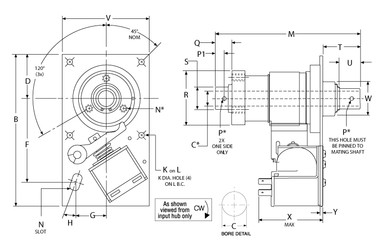
Dimensions

dimensions
尺寸價值
[B]4.56 英寸
[C] Hub ID Ø, Min/Max0.5005 / 0.5025 英寸 
[D]1.31 英寸
[F]2.5 英寸
[G]0.91 英寸
[H]20 °
[J]3x 10-32 UNC-2B on 1.250 in BC 
[K]0.187 英寸
[L]3.125 英寸
[N]4.37 英寸
[N]0.26 in W x 0.50 in L 
[P] 直徑,最大0.124 / 0.129 in 
[P1]0.25 英寸
[Q]0.47 英寸
[R]1.562 英寸
[S]0.625 英寸
[T]1.09 英寸
[U]0.73 英寸
[V]2.62 英寸
[W]1 英寸
[X]2 英寸
[Y]0.09 英寸

Specifications

Specifications價值
(CB) [A] OD輪轂輸入 
(CB) [A] ODIndexing 
(CB) [A] ODClutch 
(CB) [A] OD
Voltage12 Vdc 
Weight3 lb
停止數
旋轉方向CW 

Performance

Performance價值
RPM, Max750 轉每分
靜態力矩32 磅力
靜態力矩27 ms
靜態力矩250 in-lbs
靜態力矩0.195 lb-in²

Get Quote

*Please fill out the information below so we can best assist you: