BF-15U24-E06

BF-15U24-E06
BF-15U24-E06

Brake, 摩擦, Power On brake, BF系列-15, 1.53 英寸 Outside Diameter, 0.3750 英寸 Bore, 24 Vdc, 10 in-lbs 靜態力矩


  • 電磁加電制動器提供了一種停止和/或保持負載的高效、可電氣切換的方法。現場(電磁)組件通過法蘭被固定和防止旋轉,電樞組件被固定在軸上。當線圈通電時,電樞接合固定磁場(電磁)組件的摩擦表面,從而停止和/或保持負載。
  • 靜態或動態嚙合

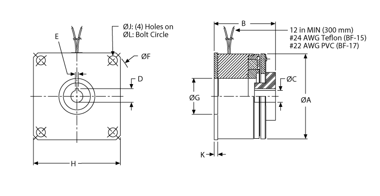
Dimensions

dimensions
尺寸價值
[A]1.53 英寸
[B]1.38 英寸
[C] Hub ID Ø, Min/Max0.3750 英寸 
[F]1.999 英寸
[G]0.68 英寸
[H]1.56 英寸
[J].156 英寸
[K]0.06 英寸
[L]1.75 英寸

Specifications

Specifications價值
(CB) [A] ODHolding 
(CB) [A] ODBrake 
(CB) [A] OD15 
Voltage24 Vdc 
Weight0.4 lb
材質鋼  
拋光未拋光 

Performance

Performance價值
靜態力矩10 in-lbs

Get Quote

*Please fill out the information below so we can best assist you: