INST258SS
Can't find what you're looking for? Go to the Product Selector
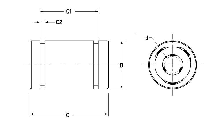
直線軸承, 僅滾珠襯套, 小型儀器, 0.125 英寸, 閉合型, 非自調心, 耐腐蝕; 配合使用 0.125 英寸 直徑 INST 端部支撐應用中的軸
- Thomson提供全球最廣泛的英制和公制Linear Ball Bushing®軸承選擇。作為該技術的發明者,我們提供9個不同系列的最高質量直線襯套軸承和附件供用戶選擇。它們非常適合用于適應扭力偏差,且幾乎不增加軸承部件應力。
- 精確度水平和緊湊的尺寸令小型儀器軸承特別適合要求高可重復性和響應性的小型機械或裝置。
- 摩擦系數低至0.001。當更換高摩擦系數的滑動軸承時,精密鋼滾珠襯套軸承可顯著提高機器生產率和效率。
- 每個儀器滾珠襯套軸承都只可能作為工廠裝配組件的一部分,與一個60 Case LinearRace軸系匹配。
